Котлы SIME BITHERM
Sime BITHERM - чугунный комбинированный газовый котел со встроенным бойлером системы ГВС атмосферная горелка.
Надежный и верный выбор
Bitherm представляет собой полную гамму напольных котлов высокой производительности с атмосферной мультигазовой горелкой из нержавеющей стали и чугунным теплообменником, прекрасно подходящим как для отопления, так и для производства горячей воды. Внимательный подход к каждой детали позволил объединить в моделях Bitherm современный и элегантный дизайн, простоту установки и ухода.
Котлы предлагаются в трех моделях с бойлером (80 литров): две модели с открытой камерой сгорания мощностью от 30 до 37 кВт и одна модель с закрытой камерой сгорания в 31 кВт.
Bitherm обеспечен электронной системой розжига; в версиях 26 OF и BF установлен расширительный бак, насос контура отопления и ГВС, предохранительный клапан.
Чугунная душа
Чугун является сплавом, долго сохраняющим свои свойства, неподдающимся износу и ставшим синонимом надежности и простоты ухода. Структура секций приводит к отличным результатам горения с пониженным выводом вредных газов в окружающую среду. Такой эффект достигнут благодаря многолетнему опыту Sime в проектировке и производстве чугунных теплообменников.
Простота панели управления котла Sime Bitherm
Достаточно одной кнопки для запуска котла, который будет сам автоматически управлять установкой режима и всеми фазами функционирования: включая рубильник, котел запускается, реагируя на запрос тепла.
Регулировка температуры происходит с помощью ручки термостата в рамках от 45 до 85°C. Температура горячей воды может регулироваться от 40 до 60°C.
Для обеспечения максимальной безопасности кнопки панели управления защищены дверцей против случайного нажатия.
Компоненты панели управления котла Sime Bitherm
- Главный выключатель.
- Включение после блокировки.
- Переключатель лето/зима.
- Прибор безопасности дыма.
- Гидрометр.
- Термометр.
- Предохранительный термостат.
- Потенциометр горячей воды.
- Потенциометр отопления.
Много горячей воды
Особая эффективность стального бойлера и двойное стеклофарфоровое покрытие - гарантия абсолютной гигиены - позволяют пользоваться горячей водой в нескольких точках одновременно. Благодаря уникальному теплообменнику быстрой накопительной способности (80 литров) вода поддерживается заданной температуры. Высокая эффективность изоляции, достигаемая благодаря покрытию из самогасящегося полиуретана, придает бойлеру функцию классического термоса. Заданная температура, таким образом, сохраняется и позволяет серьезно экономить на затратах.
Принудительная тяга - не проблема
К закрытой камере сгорания Bitherm BF Sime предоставляет полную гамму аксессуаров для аспирации и вывода дыма, способных решить любые проблемы проектировки и строительства системы отопления. Кроме того, предлагается серия аксессуаров с отводами анализа выбросов горения.
Технические характеристики котлов Sime Bitherm
| Характеристики |
Sime Bitherm 26/80 |
Sime Bitherm 35/80 |
Sime Bitherm 26/80 BF |
| Номинальная тепловая мощность, кВт (кКал/ч) |
30,5 (26.200) |
37,2 (32.000) |
31,0 (26.660) |
| Минимальная тепловая мощность, кВт (кКал/ч) |
22,5 (19.350) |
- |
23,2 (19.950) |
Расход тепла номин./мин., кВт
|
34,8/26,0 |
42,4 |
34,0/26,2 |
КПД при номинальной мощности, %
|
87,6 |
87,7 |
91,1 |
КПД при 30% номинальной мощности, %
|
84,8 |
85,3 |
92,0 |
| Чугунные секции, № |
4 |
5 |
4 |
Объем воды, л
|
17 |
20 |
16 |
Максимально допустимое рабочее давление, бар
|
4 |
4 |
4 |
Потребление электроэнергии, Вт
|
100 |
100 |
155 |
| Расширительный бак, объем/давление, л/бар |
10/1 |
- |
10/1 |
| Рамки регулировки температуры отопления, °C |
45÷85 |
45÷85 |
45÷85 |
| Рамки регулировки температуры ГВС, °C |
40÷60 |
40÷60 |
40÷60 |
| Производство горячей воды |
Емкость бойлера, л
|
80 |
80 |
80 |
Расширительный бак ГВС, л
|
- |
- |
4 |
Единичный расход воды сан. контура EN 625, л/мин*
|
19,0 |
19,5 |
18,6 |
| Постоянная подача воды Δt 30°C, л/мин |
870 |
870 |
888 |
| Максимальное давление воды, бар |
6 |
6 |
7 |
| Время нагрева от 25°C до 55°C, мин. |
10 |
9 |
10 |
Макс. прямолинейная длина горизонт. коакс. трубы, м
|
- |
- |
2,8 |
Макс. горизонт. длина разделит. труб, м
|
- |
- |
8+8 |
Вес, кг
|
185 |
213 |
240 |
* Результат пробных испытаний сбора воды в течение 10 мин.
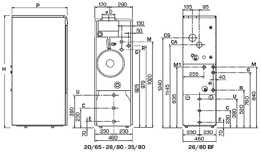
Габаритные размеры и гидравлические соединения котлов Sime Bitherm

Размеры котлов Sime Bitherm
| Модель |
H, мм |
P, мм |
D, мм |
| Sime Bitherm 26/80 |
1295 |
740 |
150 |
| Sime Bitherm 35/80 |
1295 |
845 |
150 |
| Sime Bitherm 26/80 BF |
1540 |
760 |
- |
Гидравлические подключения котлов Sime Bitherm
| Подключения |
Sime Bitherm 26/80, Sime Bitherm 26/80BF |
Sime Bitherm 35/80 |
| M - подача отопления |
3/4" |
1" |
| M1 - подача 2 зона (мод. BF) |
3/4" |
- |
| R - обратка отопления |
3/4" |
1" |
| G - подача газа |
1/2" |
3/4" |
| G - подача газа (мод. BF) |
3/4" |
- |
| E - вход холодной воды |
3/4" |
3/4" |
| C - повторный цикл |
3/4" |
3/4" |
| U - выход воды из ГВС |
3/4" |
3/4" |
CA - аспирация ø80.
CS - выход ø80, коаксиальная труба ø60/100.
Технические особенности котлов Sime Bitherm
| Технические особенности |
Sime Bitherm 26/80 |
Sime Bitherm 35/80 |
Sime Bitherm 26/80 BF |
| Бойлер со стеклофарфоровым покрытием, 80 литров |
 |
 |
 |
| Расширительный бак отопления |
 |
|
 |
| Расширительный бак ГВС |
|
|
 |
| Группа ручного наполнения системы |
 |
 |
 |
| Насос контура отопления/бойлера |
 |
 |
 |
| Электронная система розжига |
 |
 |
 |
| Прибор приравнивания мощности котла к запросам мощности системы |
 |
|
 |
| Предохранительный клапан 3 Бар |
 |
|
 |
| Ограничительный и предохранитиельный термостат |
 |
 |
 |
| Прибор безопасности дыма |
 |
 |
|
| Закрытая камера сгорания |
|
|
 |
| Комплект системы централи с зонами (опция) |
 |
 |
|
| Комплект системы гидравлики с зонами (опция) |
 |
 |
|
| Комплект системы второй зоны (опция) |
|
|
 |
| Термостат против инерции переносит возможное повышение температуры с чугунного корпуса на бойлер |
 |
 |
 |
Инструкция по установке и эксплуатации котла SIME серии BITHERM (*.pdf 343,0 Kb)
Перечень и описание запчастей для котла SIME серии BITHERM (*.rar 729,0 Kb) |